Pentru fabricarea pieselor de dimensiuni mari, Okuma adaugă MB-80V la gama de centre de prelucare vertical
Okuma, lider mondial în mașini-unelte CNC și optimizarea proceselor, a răspuns acestei nevoi și oferă acum și noul său centru de prelucrare vertical MB-80V în Europa.

Centru de prelucrare vertical CNC cu o fiabilitate excelentă și curse largi pe axa Y
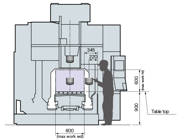
MB-80V este cel mai mare centru de prelucrare CNC vertical din seria MB-V de succes la nivel internațional și este ideal pentru lucrul pe piese mari. Acest lucru se datorează parțial mesei de lucru cu dimensiunile de 1.600 x 800 milimetri și curselor largi X-Y-Z de până la 1.600 x 1.050 x 600 milimetri. În ciuda acestor dimensiuni impresionante, mașina necesită o amprentă minimă și poate fi configurată rapid datorită operării sale ușoare via control numeric Okuma OSP P300.
Suprafață mare de prelucrare într-o aprentă compactă

Fie că sunt capete de cilindri, scule de formare și tăiere sau componente pentru liniile de producție a semiconductoarelor, cerințele impuse mașinilor utilizate continuă să crească. Acest lucru se aplică atât în ceea ce privește tehnologia, cât și dimensiunile piesei de prelucrat.
Cel mai mare centru de prelucrare CNC vertical din seria MB-V aduce noi opțiuni de prelucrare în beneficiul furnizorilor de automobile și altor industrii cu piese mari.
Performanță mai mare, efort mai mic

Când este utilizat, de exemplu, pentru prelucrarea pieselor cubice, a componentelor matriței sau a componentelor semiconductoare, centrul de prelucrare vertical excelează în special prin precizia sa repetată extremă, dinamica excelentă și frezarea de înaltă performanță. Acest lucru asigură calitate, productivitate și precizie maximă.
Prelucrare extrem de eficientă a matrițelor și piese pentru echipamente de fabricare a semiconductoarelor

Precizia este garantată și prin structura dublă rigidă dovedită. În plus, mașina a fost proiectată în așa fel încât să poată fi îndepărtate și cantități semnificative de așchii de aluminiu. Acest lucru garantează utilizarea maximă a mașinii.
Evacuatoare largi întegrate în mașina CNC în jurul mesei de lucru. Volumele mari de șpan se elimină fără probleme, spațiul de prelucrare este mereu curat.

- Evacuator spațios de șpan integrat în mașină
- Sistem de duș Crossrail (opțional)
- Fantele verticale (din jurul mesei) împiedică acumularea de șpan
Sistemul de duș Crossrail (opțional) îndepărtează așchii de pe piesa de prelucrat și de pe masa de lucru.

Operabilitate optimizată pentru a satisface cerințele clienților
Funcționarea deja simplă a MB-V80 cu controlerul Okuma OSP P300 poate fi, de asemenea, personalizată pentru a satisface cerințele individuale ale clienților. Sunt disponibile o serie de aplicații de inginerie de control, cum ar fi controlul de mare viteză “Hyper-Surface” sau “Machining Navi“, pentru a evita vibrațiile în timpul prelucrării.
Opțiunea software „One-Touch IGF” facilitează programarea atelierelor. „Conceptul Thermo-Friendly” de la Okuma garantează, de asemenea, fiabilitatea maximă a procesului, stabilitatea dimensională și precizia formei în lumea producției ca standard.

Specificații Tehnice
| Dimensiune Masă [mm] | 1,600 x 800 |
| Viteza arbore principal [min-1] | 12,000, [15,000], [20,000] |
| Numărul de scule | 32, [48], [64], [98], [132], [166], [234], [268] |
| Putere Motor (VAC) [kW] | 26/18,5, [30/22], 33/26 |
| Traverse [m/min] | X: 42 / Y: 42 / Z: 32 |
| Curse Axiale | X: 1,600 / Y: 1,050 / Z: 600 |
| Prelucrări opționale | – |
